مضخة التروس الهيدروليكية 2.8PF (6 إلى 45 مليلتر لكل دورة) Group 2.8 Hydraulic Gear Pump
مضخة التروس الهيدروليكية
ضمن مجموعة مختارة من 10 فئات من المضخات الهيدروليكية الترسية، والتي توفر نطاق إزاحة من 0.16 إلى 199 مليلتر لكل دورة، تتميز مضخة التروس الهيدروليكية فئة 2.8PF بقدرتها على التكيف مع مجموعة واسعة من ظروف التشغيل. تتميز هذه الفئات بنطاق إزاحة يتراوح من 6 إلى 45 مليلتر لكل دورة، مما يجعلها مناسبة للتطبيقات التي تتطلب معدلات تدفق هيدروليكي أعلى.
خصائص مضخة التروس الهيدروليكية 2.8PF تشمل
- نطاق خيارات الإزاحة من 6 إلى 45 مليلتر لكل دورة، مناسبة للاستخدامات متعددة لمكونات من وحدة واحدة ووحدات متعددة.
- مجهزة بتعويض الخلوص المحوري الآلي، مما يعزز الأداء ويطيل عمر الاستخدام الافتراضي.
- مصنعة بواسطة معدات التصنيع الآلي CNC، لضمان أن كل مضخة تلبي أعلى معايير الجودة.
- مضخة التروس الهيدروليكية فئة 2.8PF معروفة بجودتها الموثوقة وأدائها المستقر، حيث يجسد هذا تفانينا في الهندسة الهيدروليكية والابتكار.
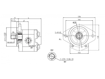
الأبعاد
| الموديل | الإزاحة (ml/r) | الضغط (bar) | السرعة (r/min) | L(mm) | |||
| المقنن | الذروة | المقننة | أقصى | أدنى | |||
| 6 | 250 | 280 | 2000 | 4000 | 800 | 115 | |
| 8 | 250 | 280 | 2000 | 4000 | 800 | 117 | |
| 10 | 250 | 280 | 2000 | 4000 | 700 | 119 | |
| 12 | 250 | 280 | 2000 | 3500 | 700 | 121.5 | |
| 14 | 250 | 280 | 2000 | 3500 | 600 | 123.5 | |
| 16 | 250 | 280 | 2000 | 3500 | 600 | 125.5 | |
| 19 | 250 | 280 | 2000 | 3000 | 500 | 128.5 | |
| 22 | 250 | 280 | 2000 | 3000 | 500 | 132 | |
| 25 | 250 | 280 | 2000 | 3000 | 500 | 135 | |
| 28 | 250 | 280 | 2000 | 3000 | 500 | 138.5 | |
| 30 | 230 | 250 | 2000 | 3000 | 500 | 140.5 | |
| 32 | 230 | 250 | 2000 | 3000 | 400 | 142.5 | |
| 36 | 200 | 230 | 1500 | 2750 | 400 | 147 | |
| 40 | 200 | 230 | 1500 | 2750 | 400 | 151.5 | |
| 43 | 170 | 190 | 1500 | 2500 | 400 | 154.5 | |
| 45 | 170 | 190 | 1500 | 2500 | 400 | 156.5 | |
مضخة التروس الهيدروليكية 2.8PF بداية من البحث والتطوير المستقل، يدمج خصائص فئات 2.5PF و3PF، توفير التوازن في الإزاحة والضغط. يتيح هذا المزيج الاستراتيجي إمكانية تطبيق فئة 2.8PF على نطاق واسع في الخيرات التي تتطلب إزاحة متوسطة. يعد تصميمه بمثابة شهادة على القدرة على التكيف وتعدد الاستخدامات اللازمين لتلبية متطلبات النظام الهيدروليكي المتنوعة، مما يمكنه من التفوق عبر سياقات تشغيلية مختلفة.

