سلسلة YE3 المحرك الحثي الثلاثي الأوجه ذو الكفاءة الفائقة تميزة بالكفاءة العالية، العازلية تصنيف F، الحماية تصنيف IP55، منخفض الضوضاء، إهتزاز قليل وموثوقية عالية. هذه محركات ضخ تستخدم في النافخات، المضخات، والآلات الأخرى التي تتطلب محركات ذات كفاءة طاقة في التواتر والأستمرارية في التشغيل.
مؤشر الأداء لسلسلة YE3
الهيكل: من 80 إلى 355
القدرة: من 0.75 إلى 375 ك.وات
نوع الخدمة: S1
طريقة التبريد: IC411
سرعة التزامن: 3000، 1500، 1000 لفةدقيقة
الجهد المقنن والتردد المقنن: 380 فولت، 50 هيرتز.
مستوى الكفاءة: الدرجة 2 ( الصينية GB18613-2012)
البيانات الفنية | النوع | القدرة kW | التيار المقنن A | السرعة المقننة r/min | الكفاءة % | عامل القدرة | العزم المقنن N · m | عزم عمود الدوران المقفل العزم المقنن Tst Tn | تيار عمود الدوران المقفل التيار المقنن Ist In | العزم الكلي العزم المقنن Tax Tn | الضوضاء (بدون حمل) dB (A) |
| سرعة التزامن 3000r/min |
| YE3-80M1-2 | 0.75 | 1.7 | 2895 | 80.7 | 0.82 | 2.5 | 2.3 | 7.0 | 2.3 | 62 |
| YE3-80M2-2 | 1.1 | 2.4 | 2890 | 82.7 | 0.83 | 3.7 | 2.2 | 7.3 | 2.3 | 62 |
| YE3-90S-2 | 1.5 | 3.2 | 2900 | 84.2 | 0.84 | 5.0 | 2.2 | 7.6 | 2.3 | 67 |
| YE3-90L-2 | 2.2 | 4.6 | 2900 | 85.9 | 0.85 | 7.3 | 2.2 | 7.6 | 2.3 | 67 |
| YE3-100L-2 | 3 | 6.0 | 2880 | 87.1 | 0.87 | 9.9 | 2.2 | 7.8 | 2.3 | 74 |
| YE3-112M-2 | 4 | 7.8 | 2915 | 88.1 | 0.88 | 13.1 | 2.2 | 8.3 | 2.3 | 77 |
| YE3-132S1-2 | 5.5 | 10.6 | 2945 | 89.2 | 0.88 | 17.9 | 2.0 | 8.3 | 2.3 | 79 |
| YE3-132S2-2 | 7.5 | 14.4 | 2940 | 90.1 | 0.88 | 24.4 | 2.0 | 7.9 | 2.3 | 79 |
| YE3-160M1-2 | 11 | 20.6 | 2950 | 91.2 | 0.89 | 35.7 | 2.0 | 8.1 | 2.3 | 81 |
| YE3-160M2-2 | 15 | 27.9 | 2950 | 91.9 | 0.89 | 48.6 | 2.0 | 8.1 | 2.3 | 81 |
| YE3-160L-2 | 18.5 | 34.2 | 2950 | 92.4 | 0.89 | 60.0 | 2.0 | 8.2 | 2.3 | 81 |
| YE3-180M-2 | 22 | 40.5 | 2965 | 92.7 | 0.89 | 71.2 | 2.0 | 8.2 | 2.3 | 83 |
| YE3-200L1-2 | 30 | 54.9 | 2970 | 93.3 | 0.89 | 96.6 | 2.0 | 7.6 | 2.3 | 84 |
| YE3-200L2-2 | 37 | 67.4 | 2975 | 93.7 | 0.89 | 119 | 2.0 | 7.6 | 2.3 | 84 |
| YE3-225M-2 | 45 | 80.8 | 2975 | 94.0 | 0.90 | 145 | 2.0 | 7.7 | 2.3 | 86 |
| YE3-250M-2 | 55 | 98.5 | 2975 | 94.3 | 0.90 | 177 | 2.0 | 7.7 | 2.3 | 89 |
| YE3-280S-2 | 75 | 134 | 2975 | 94.7 | 0.90 | 241 | 1.8 | 7.1 | 2.3 | 91 |
| YE3-280M-2 | 90 | 160 | 2975 | 95.0 | 0.90 | 289 | 1.8 | 7.1 | 2.3 | 91 |
| YE3-315S-2 | 110 | 195 | 2980 | 95.2 | 0.90 | 352 | 1.8 | 7.1 | 2.3 | 92 |
| YE3-315M-2 | 132 | 234 | 2980 | 95.4 | 0.90 | 422 | 1.8 | 7.1 | 2.3 | 92 |
| YE3-315L1-2 | 160 | 279 | 2980 | 95.6 | 0.91 | 512 | 1.8 | 7.2 | 2.3 | 92 |
| YE3-315L2-2 | 200 | 349 | 2980 | 95.8 | 0.91 | 640 | 1.8 | 7.2 | 2.2 | 92 |
| YE3-355M-2 | 250 | 436 | 2985 | 95.8 | 0.91 | 800 | 1.6 | 7.2 | 2.2 | 100 |
| YE3-355L-2 | 315 | 549 | 2985 | 95.8 | 0.91 | 1008 | 1.6 | 7.2 | 2.2 | 100 |
| YE3-3551-2 | 355 | 619 | 2990 | 95.8 | 0.91 | 1130 | 1.6 | 7.2 | 2.2 | 104 |
| YE3-3552-2 | 375 | 654 | 2985 | 95.8 | 0.91 | 1194 | 1.6 | 7.2 | 2.2 | 104 |
البيانات الفنية | النوع | القدرة kW | التيار المقنن A | السرعة المقننة r/min | الكفاءة % | عامل القدرة | العزم المقنن N · m | عزم عمود الدوران المقفل العزم المقنن Tst Tn | تيار عمود الدوران المقفل التيار المقنن Ist In | العزم الكلي العزم المقنن Tax Tn | الضوضاء (بدون حمل) dB (A) |
| سرعة التزامن 1500r/min |
| YE3-80M-4 | 0.75 | 1.8 | 1435 | 82.5 | 0.75 | 5.0 | 2.3 | 6.6 | 2.3 | 56 |
| YE3-90S-4 | 1.1 | 2.6 | 1440 | 84.1 | 0.76 | 7.3 | 2.3 | 6.8 | 2.3 | 59 |
| YE3-90L-4 | 1.5 | 3.5 | 1440 | 85.3 | 0.77 | 10.0 | 2.3 | 7.0 | 2.3 | 59 |
| YE3-100L1-4 | 2.2 | 4.8 | 1440 | 86.7 | 0.81 | 14.6 | 2.3 | 7.6 | 2.3 | 64 |
| YE3-100L2-4 | 3 | 6.3 | 1440 | 87.7 | 0.82 | 19.9 | 2.3 | 7.6 | 2.3 | 64 |
| YE3-112M-4 | 4 | 8.4 | 1460 | 88.6 | 0.82 | 26.3 | 2.2 | 7.8 | 2.3 | 65 |
| YE3-132S-4 | 5.5 | 11.2 | 1475 | 89.6 | 0.83 | 35.9 | 2.0 | 7.9 | 2.3 | 71 |
| YE3-132M-4 | 7.5 | 15.0 | 1470 | 90.4 | 0.84 | 48.9 | 2.0 | 7.5 | 2.3 | 71 |
| YE3-160M-4 | 11 | 21.5 | 1475 | 91.4 | 0.85 | 71.5 | 2.2 | 7.7 | 2.3 | 73 |
| YE3-160L-4 | 15 | 28.8 | 1475 | 92.1 | 0.86 | 97.4 | 2.2 | 7.8 | 2.3 | 73 |
| YE3-180M-4 | 18.5 | 35.3 | 1480 | 92.6 | 0.86 | 120 | 2.0 | 7.8 | 2.3 | 76 |
| YE3-180L-4 | 22 | 41.8 | 1480 | 93.0 | 0.86 | 143 | 2.0 | 7.8 | 2.3 | 76 |
| YE3-200L-4 | 30 | 56.6 | 1485 | 93.6 | 0.86 | 194 | 2.0 | 7.3 | 2.3 | 76 |
| YE3-225S-4 | 37 | 69.6 | 1485 | 93.9 | 0.86 | 239 | 2.0 | 7.4 | 2.3 | 78 |
| YE3-225M-4 | 45 | 84.4 | 1485 | 94.2 | 0.86 | 290 | 2.0 | 7.4 | 2.3 | 78 |
| YE3-250M-4 | 55 | 103 | 1485 | 94.6 | 0.86 | 354 | 2.2 | 7.4 | 2.3 | 79 |
| YE3-280S-4 | 75 | 136 | 1490 | 95.0 | 0.88 | 481 | 2.0 | 6.9 | 2.3 | 80 |
| YE3-280M-4 | 90 | 163 | 1490 | 95.2 | 0.88 | 577 | 2.0 | 6.9 | 2.3 | 80 |
| YE3-315S-4 | 110 | 197 | 1490 | 95.4 | 0.89 | 705 | 2.0 | 7.0 | 2.2 | 88 |
| YE3-315M-4 | 132 | 236 | 1490 | 95.6 | 0.89 | 846 | 2.0 | 7.0 | 2.2 | 88 |
| YE3-315L1-4 | 160 | 285 | 1490 | 95.8 | 0.89 | 1026 | 2.0 | 7.1 | 2.2 | 88 |
| YE3-315L2-4 | 200 | 352 | 1490 | 96.0 | 0.90 | 1282 | 2.0 | 7.1 | 2.2 | 88 |
| YE3-355M-4 | 250 | 440 | 1490 | 96.0 | 0.90 | 1597 | 2.0 | 7.1 | 2.2 | 95 |
| YE3-355L-4 | 315 | 554 | 1490 | 96.0 | 0.90 | 2012 | 2.0 | 7.1 | 2.2 | 95 |
| YE3-3551-4 | 355 | 639 | 1490 | 96.0 | 0.88 | 2260 | 1.7 | 7.0 | 2.2 | 102 |
| YE3-3552-4 | 375 | 675 | 1490 | 96.0 | 0.88 | 2388 | 1.7 | 7.0 | 2.2 | 102 |
البيانات الفنية | النوع | القدرة kW | التيار المقنن A | السرعة المقننة r/min | الكفاءة % | عامل القدرة | العزم المقنن N · m | عزم عمود الدوران المقفل العزم المقنن Tst Tn | تيار عمود الدوران المقفل التيار المقنن Ist In | العزم الكلي العزم المقنن Tax Tn | الضوضاء (بدون حمل) dB (A) |
| سرعة التزامن 1000r/min |
| YE3-90S-6 | 0.75 | 2.0 | 960 | 78.9 | 0.71 | 7.6 | 2.0 | 6.0 | 2.1 | 57 |
| YE3-90L-6 | 1.1 | 2.8 | 960 | 81.0 | 0.73 | 11.1 | 2.0 | 6.0 | 2.1 | 57 |
| YE3-100L-6 | 1.5 | 3.8 | 960 | 82.5 | 0.73 | 15.1 | 2.0 | 6.5 | 2.1 | 61 |
| YE3-112M-6 | 2.2 | 5.4 | 970 | 84.3 | 0.74 | 21.8 | 2.0 | 6.6 | 2.1 | 65 |
| YE3-132S-6 | 3 | 7.2 | 975 | 85.6 | 0.74 | 29.4 | 2.0 | 6.8 | 2.1 | 69 |
| YE3-132M1-6 | 4 | 9.5 | 975 | 86.8 | 0.74 | 39.2 | 2.0 | 6.8 | 2.1 | 69 |
| YE3-132M2-6 | 5.5 | 12.7 | 975 | 88.0 | 0.75 | 53.9 | 2.0 | 7.0 | 2.1 | 69 |
| YE3-160M-6 | 7.5 | 16.2 | 980 | 89.1 | 0.79 | 73.1 | 2.0 | 7.0 | 2.1 | 73 |
| YE3-160L-6 | 11 | 23.1 | 980 | 90.3 | 0.80 | 107 | 2.0 | 7.2 | 2.1 | 73 |
| YE3-180L-6 | 15 | 30.9 | 985 | 91.2 | 0.81 | 146 | 2.0 | 7.3 | 2.1 | 73 |
| YE3-200L1-6 | 18.5 | 37.8 | 985 | 91.7 | 0.81 | 179 | 2.0 | 7.3 | 2.1 | 73 |
| YE3-200L2-6 | 22 | 44.8 | 985 | 92.2 | 0.81 | 213 | 2.0 | 7.4 | 2.1 | 73 |
| YE3-225M-6 | 30 | 59.1 | 990 | 92.9 | 0.83 | 291 | 2.0 | 6.9 | 2.1 | 74 |
| YE3-250M-6 | 37 | 71.7 | 985 | 93.3 | 0.84 | 359 | 2.0 | 7.1 | 2.1 | 76 |
| YE3-280S-6 | 45 | 85.8 | 990 | 93.7 | 0.85 | 434 | 2.0 | 7.3 | 2.0 | 78 |
| YE3-280M-6 | 55 | 103 | 990 | 94.1 | 0.86 | 531 | 2.0 | 7.3 | 2.0 | 78 |
| YE3-315S-6 | 75 | 143 | 990 | 94.6 | 0.84 | 723 | 2.0 | 6.6 | 2.0 | 83 |
| YE3-315M-6 | 90 | 170 | 990 | 94.9 | 0.85 | 868 | 2.0 | 6.7 | 2.0 | 83 |
| YE3-315L1-6 | 110 | 207 | 990 | 95.1 | 0.85 | 1061 | 2.0 | 6.7 | 2.0 | 83 |
| YE3-315L2-6 | 132 | 244 | 990 | 95.4 | 0.86 | 1273 | 2.0 | 6.8 | 2.0 | 83 |
| YE3-355M1-6 | 160 | 296 | 990 | 95.6 | 0.86 | 1536 | 1.8 | 6.8 | 2.0 | 85 |
| YE3-355M2-6 | 200 | 365 | 990 | 95.8 | 0.87 | 1920 | 1.8 | 6.8 | 2.0 | 85 |
| YE3-355L-6 | 250 | 456 | 995 | 95.8 | 0.87 | 2399 | 1.8 | 6.8 | 2.0 | 85 |
| YE3-3552-6 | 315 | 581 | 990 | 95.8 | 0.86 | 3008 | 1.8 | 6.8 | 2.0 | 91 |
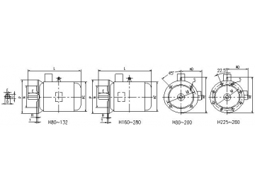
التركيب التقليد والمناسب لأحجام الهيكل تعطى في الجدول التالي (مع "√")
| الإطار | النوع الأساسي | نوع التدوير |
| B3 | B5 | B35 | V1 | V3 | V5 | V6 | B6 | B7 | B8 | V15 | V36 | B14 | B34 | V18 |
| 80 ~ 112 | √ | √ | √ | - | √ | √ | √ | √ | √ | √ | √ | √ | √ | √ | √ |
| 132 ~ 160 | √ | √ | √ | - | √ | √ | √ | √ | √ | √ | √ | √ | - | - | - |
| 180 ~ 280 | √ | √ | √ | √ | - | - | - | - | - | - | - | - | - | - | - |
| 315 ~ 355 | √ | - | √ | √ | - | - | - | - | - | - | - | - | - | - | - |
العلامة "√" تعني البنية يمكن تصنيعها. غير ذلك توضح في الطلب، صندوق النهايات وضع في أعلى المحرك.
الأبعاد المحركB14 يتميز بأن الهيكل بدون قاعدة تثبيت والحجاب الطرفي مع فلانجة (يوجد بها ثقوب). | قياس الإطار | الأقطاب | أبعاد التركيب | الأبعاد الكلية |
| D | E | F | G | M | N | P | R | S | T | AC | AD | HF | L |
| 80M | 2,4 | 19 | 40 | 6 | 15.5 | 100 | 80 | 120 | 0 | 4-M6 | 3.0 | 175 | 145 | - | 305 |
| 90S | 2,4,6 | 24 | 50 | 8 | 20 | 115 | 95 | 140 | 4-M8 | 195 | 165 | 360 |
| 90L | 390 |
| 100L | 28 | 60 | 24 | 130 | 110 | 160 | 3.5 | 215 | 180 | 245 | 435 |
| 112M | 255 | 200 | 265 | 440 |
المحرك B34 يتميز بأن الهيكل مع قاعدة تثبيت والحجاب الطرفي مع فلانجة (يوجد بها ثقوب). | قياس الإطار | الأقطاب | أبعاد التركيب | الأبعاد الكلية |
| A | B | C | D | E | F | G | H | K | M | N | P | R | S | T | AA | BB | HA | AB | AC | AD | HD | L |
| 80M | 2,4 | 125 | 100 | 50 | 19 | 40 | 6 | 15.5 | 80 | 10 | 100 | 80 | 120 | 0 | 4-M6 | 3 | 34 | 142 | 10 | 165 | 175 | 145 | 225 | 305 |
| 90S | 2,4,6 | 140 | 100 | 56 | 24 | 50 | 8 | 20 | 90 | 115 | 95 | 140 | 4-M8 | 36 | 180 | 12 | 180 | 195 | 165 | 260 | 360 |
| 90L | 125 | 210 | 390 |
| 100L | 160 | 140 | 63 | 28 | 60 | 24 | 100 | 12 | 130 | 110 | 160 | 3.5 | 40 | 233 | 14 | 205 | 215 | 180 | 270 | 435 |
| 112M | 190 | 140 | 70 | 28 | 60 | 112 | 45 | 220 | 15 | 230 | 255 | 200 | 310 | 440 |
المحرك B3 يتميز بأن الهيكل مع قاعدة تثبيت والحجاب الطرفي بدون فلانجة. | قياس الإطار | الأقطاب | أبعاد التركيب | الأبعاد الكلية |
| A | B | C | D | E | F | G | H | K | AA | BB | HA | AB | AC | AD | HD | L |
| 80M | 2,4 | 125 | 100 | 50 | 19 | 40 | 6 | 15.5 | 80 | 10 | 34 | 142 | 10 | 165 | 175 | 145 | 220 | 305 |
| 90S | 2,4,6 | 140 | 100 | 56 | 24 | 50 | 8 | 20 | 90 | 36 | 180 | 12 | 180 | 205 | 170 | 265 | 360 |
| 90L | 125 | 56 | 210 | 390 |
| 100L | 160 | 140 | 63 | 28 | 60 | 24 | 100 | 12 | 40 | 233 | 14 | 205 | 215 | 180 | 270 | 435 |
| 112M | 190 | 70 | 112 | 45 | 220 | 15 | 230 | 255 | 200 | 310 | 440 |
| 132S | 216 | 89 | 38 | 80 | 10 | 33 | 132 | 55 | 226 | 18 | 270 | 310 | 230 | 365 | 510 |
| 132M | 178 | 256 | 550 |
| 160M | 254 | 210 | 108 | 42 | 110 | 12 | 37 | 160 | 14.5 | 65 | 315 | 20 | 320 | 340 | 275 | 430 | 670 |
| 160L | 254 | 355 | 710 |
| 180M | 279 | 241 | 121 | 48 | 14 | 42.5 | 180 | 70 | 359 | 22 | 349 | 380 | 280 | 455 | 740 |
| 180L | 279 | 394 | 780 |
| 200L | 318 | 305 | 133 | 55 | 16 | 49 | 200 | 18.5 | 70 | 454 | 25 | 388 | 445 | 335 | 535 | 890 |
| 225S | 4 | 356 | 286 | 149 | 60 | 140 | 18 | 53 | 225 | 75 | 431 | 28 | 435 | 470 | 350 | 575 | 890 |
| 225M | 2 | 311 | 55 | 110 | 16 | 49 | 466 | 895 |
| 4,6 | 60 | 140 | 18 | 53 | 925 |
| 250M | 2 | 406 | 349 | 168 | 60 | 140 | 18 | 53 | 250 | 24 | 80 | 515 | 30 | 484 | 535 | 390 | 635 | 990 |
| 4,6 | 65 | 58 |
| 280S | 2 | 457 | 368 | 190 | 280 | 85 | 510 | 35 | 550 | 595 | 425 | 705 | 995 |
| 4,6 | 75 | 20 | 67.5 |
| 280M | 2 | 419 | 65 | 18 | 58 | 550 | 1040 |
| 4,6 | 75 | 20 | 67.5 |
| 315S | 2 | 508 | 406 | 216 | 65 | 18 | 58 | 315 | 28 | 120 | 570 | 45 | 635 | 645 | 530 | 845 | 1200 |
| 4,6 | 80 | 170 | 22 | 71 |
| 315M | 2 | 457 | 65 | 140 | 18 | 58 | 680 | 1310 |
| 4,6 | 80 | 170 | 22 | 71 |
| 315L | 2 | 508 | 65 | 140 | 18 | 58 |
| 4,6 | 80 | 170 | 22 | 71 |
| 355M | 2 | 610 | 560 | 254 | 75 | 140 | 20 | 67.5 | 355 | 116 | 750 | 52 | 730 | 710 | 655 | 1010 | 1515 |
| 4,6 | 95 | 170 | 25 | 86 | 1555 |
| 355L | 2 | 630 | 75 | 140 | 20 | 67.5 | 1515 |
| 4,6 | 95 | 170 | 25 | 86 | 1555 |
| 3551 2 | 2 | 630 | 800 | 224 | 80 | 170 | 22 | 71 | 355 | 35 | 135 | 1140 | 52 | 760 | 780 | - | 1150 | 1880 |
| 4 | 110 | 210 | 28 | 100 | 1910 |
| 3552 | 6 | 1930 |
المحرك B5 يتميز بأن الهيكل بدون قاعدة تثبيت والحجاب الطرفي مع فلانجة (يوجد بها حفر). | قياس الإطار | الأقطاب | أبعاد التركيب | الأبعاد الكلية |
| D | E | F | G | M | N | P | R | S | T | AC | AD | HF | L |
| 80M | 2,4 | 19 | 40 | 6 | 15.5 | 165 | 130 | 200 | 0 | 4- φ 12 | 3.5 | 175 | 145 | - | 305 |
| 90S | 2,4,6 | 24 | 50 | 8 | 20 | 195 | 165 | 360 |
| 90L | 390 |
| 100L | 28 | 60 | 24 | 215 | 180 | 250 | 4- φ 14.5 | 4 | 215 | 180 | 240 | 435 |
| 112M | 255 | 200 | 275 | 435 |
| 132S | 38 | 80 | 10 | 33 | 265 | 230 | 300 | 0 | 310 | 230 | 360 | 510 |
| 132M | 540 |
| 160M | 42 | 110 | 12 | 37 | 300 | 250 | 350 | 0 | 4- φ 18.5 | 5 | 340 | 275 | 410 | 670 |
| 160L | 710 |
| 180M | 48 | 14 | 42.5 | 380 | 280 | 430 | 740 |
| 180L | 780 |
| 200L | 55 | 16 | 49 | 350 | 300 | 400 | 0 | 445 | 335 | 490 | 890 |
| 225S | 4 | 60 | 140 | 18 | 53 | 400 | 350 | 450 | 0 | 8- φ 18.5 | 470 | 350 | 540 | 890 |
| 225M | 2 | 55 | 110 | 16 | 49 | 895 |
| 4,6 | 60 | 140 | 18 | 53 | 925 |
| 250M | 2 | 500 | 450 | 550 | 0 | 535 | 390 | 620 | 990 |
| 4,6 | 65 | 58 |
| 280S | 2 | 595 | 425 | 675 | 995 |
| 4,6 | 75 | 20 | 67.5 |
| 280M | 2 | 65 | 18 | 58 | 1040 |
| 4,6 | 75 | 20 | 67.5 |
المحرك B35 يتميز بأن الهيكل مع قاعدة تثبيت والحجاب الطرفي مع فلانجة (يوجد بها حفر). | قياس الإطار | الأقطاب | أبعاد التركيب | الأبعاد الكلية |
| A | B | C | D | E | F | G | H | K | M | N | P | R | S | T | AA | BB | HA | AB | AC | AD | HD | L |
| 80M | 2,4 | 125 | 100 | 50 | 19 | 40 | 6 | 15.5 | 80 | 10 | 165 | 130 | 200 | 0 | 4- φ 12 | 3.5 | 34 | 142 | 10 | 165 | 175 | 145 | 225 | 305 |
| 90S | 2,4,6 | 140 | 56 | 24 | 50 | 8 | 20 | 90 | 36 | 180 | 12 | 180 | 205 | 170 | 265 | 360 |
| 90L | 125 | 220 | 390 |
| 100L | 160 | 140 | 63 | 28 | 60 | 24 | 100 | 12 | 215 | 180 | 250 | 0 | 4- φ 14.5 | 4 | 40 | 233 | 14 | 205 | 215 | 180 | 270 | 435 |
| 112M | 190 | 70 | 112 | 45 | 220 | 15 | 230 | 255 | 200 | 310 | 435 |
| 132S | 216 | 89 | 38 | 80 | 10 | 33 | 132 | 265 | 230 | 300 | 55 | 226 | 18 | 265 | 310 | 230 | 365 | 510 |
| 132M | 178 | 256 | 550 |
| 160M | 254 | 210 | 108 | 42 | 110 | 12 | 37 | 160 | 14.5 | 300 | 250 | 350 | 0 | 4- φ 18.5 | 5 | 65 | 315 | 20 | 320 | 340 | 275 | 430 | 670 |
| 160L | 254 | 355 | 710 |
| 180M | 279 | 241 | 121 | 48 | 14 | 42.5 | 180 | 70 | 359 | 22 | 349 | 380 | 280 | 455 | 740 |
| 180L | 279 | 394 | 780 |
| 200L | 318 | 305 | 133 | 55 | 16 | 49 | 200 | 18.5 | 350 | 300 | 400 | 454 | 25 | 388 | 445 | 335 | 535 | 890 |
| 225S | 4 | 356 | 286 | 149 | 60 | 140 | 18 | 53 | 225 | 400 | 350 | 450 | 0 | 8- φ 18.5 | 75 | 431 | 28 | 435 | 470 | 350 | 575 | 890 |
| 225M | 2 | 311 | 55 | 110 | 16 | 49 | 466 | 895 |
| 4,6 | 60 | 140 | 18 | 53 | 925 |
| 250M | 2 | 406 | 349 | 168 | 53 | 250 | 24 | 500 | 450 | 550 | 80 | 515 | 30 | 484 | 535 | 390 | 635 | 990 |
| 4,6 | 65 | 58 |
| 280S | 2 | 457 | 368 | 190 | 280 | 85 | 510 | 35 | 550 | 595 | 425 | 705 | 995 |
| 4,6 | 75 | 20 | 67.5 |
| 280M | 2 | 419 | 65 | 18 | 58 | 550 | 1040 |
| 4,6 | 75 | 20 | 67.5 |
| 315S | 2 | 508 | 406 | 216 | 65 | 18 | 58 | 315 | 28 | 600 | 550 | 660 | 8- φ 24 | 6 | 120 | 570 | 45 | 635 | 645 | 530 | 845 | 1200 |
| 4,6 | 80 | 170 | 22 | 71 |
| 315M | 2 | 457 | 65 | 140 | 18 | 58 | 680 | 1310 |
| 4,6 | 80 | 170 | 22 | 71 |
| 315L | 2 | 508 | 65 | 140 | 18 | 58 |
| 4,6 | 80 | 170 | 22 | 71 |
| 355M | 2 | 610 | 560 | 254 | 75 | 140 | 20 | 67.5 | 355 | 740 | 680 | 800 | 116 | 750 | 52 | 730 | 710 | 655 | 1010 | 1515 |
| 4,6 | 95 | 170 | 25 | 86 | 1555 |
| 355L | 2 | 630 | 75 | 140 | 20 | 67.5 | 1515 |
| 4,6 | 95 | 170 | 25 | 86 | 1555 |
| 3551 2 | 2 | 630 | 800 | 224 | 80 | 170 | 22 | 71 | 355 | 35 | 840 | 780 | 900 | 135 | 1140 | 52 | 760 | 780 | - | 1150 | 1880 |
| 4 | 110 | 210 | 28 | 100 | 1910 |
| 3552 | 6 | 1930 |
المحرك V1 يركب عمودي ويتميز بأن الهيكل بدون قاعدة تثبيت، والحجاب الطرفي مع فلانجة وعمود دوران المتدد إلى أسفل. | قياس الإطار | الأقطاب | أبعاد التركيب | الأبعاد الكلية |
| D | E | F | G | M | N | P | R | S | T | AC | AD | HF | L |
| 180M | 2,4,6 | 48 | 110 | 14 | 42.5 | 300 | 250 | 350 | 0 | 4- φ 18.5 | 5 | 380 | 280 | 485 | 800 |
| 180L | 840 |
| 200L | 55 | 16 | 49 | 350 | 300 | 400 | 445 | 335 | 565 | 960 |
| 225S | 4 | 60 | 140 | 18 | 53 | 400 | 350 | 450 | 0 | 8- φ 18.5 | 470 | 350 | 610 | 980 |
| 225M | 2 | 55 | 110 | 16 | 49 | 985 |
| 4,6 | 60 | 140 | 18 | 53 | 1015 |
| 250M | 2 | 500 | 450 | 550 | 0 | 535 | 390 | 685 | 1095 |
| 4,6 | 65 | 58 |
| 280S | 2 | 595 | 425 | 790 | 1120 |
| 4,6 | 75 | 20 | 67.5 |
| 280M | 2 | 65 | 18 | 58 | 1155 |
| 4,6 | 75 | 20 | 67.5 |
| 315S | 2 | 65 | 18 | 58 | 600 | 550 | 660 | 8- φ 24 | 6 | 645 | 530 | 870 | 1390 |
| 4,6 | 80 | 170 | 22 | 71 | 1420 |
| 315M | 2 | 65 | 140 | 18 | 58 | 1490 |
| 4,6 | 80 | 170 | 22 | 71 | 1520 |
| 315L | 2 | 65 | 140 | 18 | 58 | 1490 |
| 4,6 | 80 | 170 | 22 | 71 | 1520 |
| 355M | 2 | 75 | 140 | 20 | 67.5 | 740 | 680 | 800 | 710 | 655 | 1010 | 1615 |
| 4,6 | 95 | 170 | 25 | 86 | 1655 |
| 355L | 2 | 75 | 140 | 20 | 67.5 | 1615 |
| 4,6 | 95 | 170 | 25 | 86 | 1655 |
| 3551 2 | 2 | 80 | 170 | 22 | 71 | 840 | 780 | 900 | 780 | 795 | 1220 | 1990 |
| 4 | 110 | 210 | 28 | 100 | 2020 |
| 3552 | 6 | 2040 |