محرك التروس الهيدروليكي 1MF (1.1 إلى 8 مليلتر لكل دورة) Hydraulic Gear Motor
7 فئات من محركات التروس الهيدروليكية متوفرة بإزاحة من 1.1 إلى 199 مليلتر لكل دورة
من بين 7 فئات من محركات التروس الهيدروليكي، يتميز محرك 1MF بنطاق إزاحة مميز من 1.1 إلى 8.5 مليلتر لكل دورة. تم تصميمه خصيصاً ليتميز في البيئات التي تتطلب مقاومة عالية للتلوث. توفر محرك التروس الهيدروليكي فئة 1MF موثوقية لا مثيل لها بفضل بنيتها الدقيقة والمتينة. تضمن الميزات مثل التعويض الآلي للخلوص المحوري والبطانات المقاومة للتآكل عمر الاستخدام الطويل، مما يجعل فئة 1MF خيار مرن ومتعدد الاستخدامات لمختلف التطبيقات.
الخصائص الرئيسية لمحرك التروس الهيدروليكي فئة 1MF تشمل
- نطاق إزاحة يغطي من 1.1 إلى 8.5 مليلتر لكل دورة، لتلبية الاحتياجات التشغيلية المتنوعة.
- تعزيز قدرات التحمل وزيادة طول العمر الاستخدامي الافتراضي.
- مجهزة بتعويض الخلوص المحوري الآلي للأداء العالي المستمر.
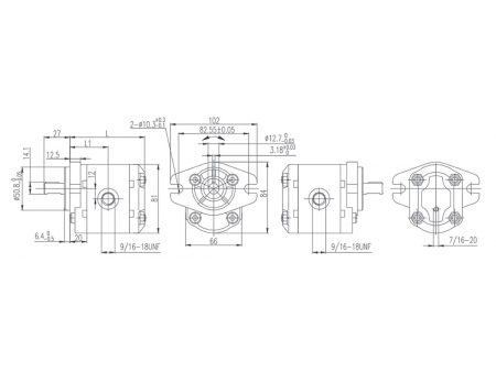
الأبعاد
| الإزاحة(ml/r) | 1.1 | 1.6 | 2.1 | 2.7 | 3.2 | 3.7 | 4.2 | 4.8 | 5.8 | 6.5 | 8 |
| L1(mm) | 33 | 35 | 36 | 37 | 38 | 39 | 40 | 41 | 43 | 44 | 47 |
| L(mm) | 75 | 78 | 79 | 81 | 83 | 85 | 87 | 89 | 93 | 95 | 101 |
الأبعاد
| رقم الموديل | |||
| الإزاحة (ml/r) | من 1.1 إلى 5.1 | من 5.1 إلى 8.5 | |
| الضغط (bar) | المقنن P1 | 200 | 200 |
| المتقطع P2 | 230 | 230 | |
| الذروة P3 | 250 | 250 | |
| السرعة (r/min) | أقصى | 4000 | 3600 |
| أدنى | 650 | 650 | |
| الكفاءة الكلية (T>%) | 78 | ||
| الكفاءة الحجمية (V>%) | 92 | ||
| الكفاءة الميكانيكية (M>%) | 85 | ||
محرك التروس الهيدروليكي فئة 1MF تعتبر أساسية في تشغيل أنظمة تبريد المروحة، حيث توفر طاقة فعالة من عمود الدوران. تلعب دور جوهري في الإدارة الحرارية عبر مختلف الآلات الثقيلة، بما في ذلك مداحل الطرق والحفارات والجرافات (البلدوزرات). تسلط هذه التطبيقات الضوء على فعالية المحركات في الحفاظ على الكفاءة التشغيلية وإطالة عمر الاستخدام الافتراضي للمعدات الأساسية.
ماكينة طباعة آلية على زجاج الأجهزة المنزلية فئة VA Automatic Screen Printing Machine for Home Appliance Glass
glassprintmachine-ae.com
غرفة أكسجين عالي الضغط مخصصة لعلاج الخيول/ غرفة HBOT بيطرية للخيول (تصميم مخصص للحيوانات الكبيرة)
hbotchamber-ae.com
نظام الفحص البصري للمواد المغناطيسية – دقة عالية وسرعة فائقة لفحص الأبعاد Magnetic Material Vision Inspection Machine
ckw-group.asia
ماكينة القص والتجعيد الأوتوماتيكية بالقالب المسطح مزودة بوحدة إزالة النفايات (موديل قوي للخدمة الشاقة)
diecutting-ae.com

